983 Electronic Differential Pressure Indicator with LED
- Differential pressure indicator
- High-accuracy thermal drift control
- Wide range: 2 to 8 bar
- Fast 0.4s response time
- IP67-rated, robust brass body
![]() |
Technical Datasheet |
- Description
- Downloads
- Product Catalogue
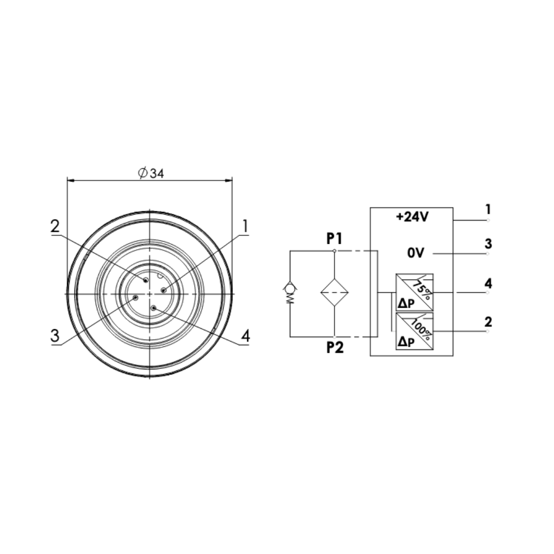
The 983 Electronic Differential Pressure Indicator with LED is a cutting-edge sensor designed for precise monitoring in industrial applications, particularly where accurate differential pressure measurement is essential. Constructed with a robust brass body, this durable unit is compatible with oil and air media, functioning reliably in challenging environments with pressures up to 450 bar and a wide temperature range from -20°C to +80°C.
Equipped with a 1/2" Gas thread and M12 connector, this sensor is highly versatile and easy to integrate into existing systems. It operates on a 24V DC power supply with a calibrated digital output, capable of handling a maximum load of 0.2A in a PNP configuration, ensuring reliable digital feedback under high-performance conditions. Its protection rating of IP67 guarantees dependable operation even in harsh industrial settings.
The 983 Indicator also includes an intuitive LED display system for real-time pressure monitoring. The visual output ranges from green to red, indicating pressure levels from 0% to 100% of full scale, with specific color alerts for different thresholds. Additionally, this sensor features a programmable thermal lock-out and a precision accuracy of ±5% at 25°C, making it ideal for applications requiring high accuracy and low thermal drift.
Certified to UL and RINA standards, this pressure indicator promises both safety and efficiency. Custom versions and technical support are available on request for specialised application needs.
Customers also viewed
£0.00
Liquid error (snippets/product-item line 160): Could not find asset snippets/rfq_button.liquid£0.00
Liquid error (snippets/product-item line 160): Could not find asset snippets/rfq_button.liquid£0.00
Liquid error (snippets/product-item line 160): Could not find asset snippets/rfq_button.liquid£0.00
Liquid error (snippets/product-item line 160): Could not find asset snippets/rfq_button.liquid£0.00
Liquid error (snippets/product-item line 160): Could not find asset snippets/rfq_button.liquid£0.00
Liquid error (snippets/product-item line 160): Could not find asset snippets/rfq_button.liquid£0.00
Liquid error (snippets/product-item line 160): Could not find asset snippets/rfq_button.liquid£0.00
Liquid error (snippets/product-item line 160): Could not find asset snippets/rfq_button.liquid£0.00
Liquid error (snippets/product-item line 160): Could not find asset snippets/rfq_button.liquid












