Custom
Explore our range of custom level switches designed to meet diverse industrial requirements with precision and reliability. Choose our custom level switches for dependable and precise fluid level management in any industrial setting.
- Nylon or NBR Float
- Adjustable length to 1000 mm
- NO/NC or SPDT Reed Switch
- Temperature Switch Option (PKT)
- IP65 with Din Connector Flange or 1” BSP Options
![]() |
Technical Datasheet |
- Nylon or NBR Float
- Adjustable length to 1000 mm
- NO/NC or SPDT Reed Switch
- Temperature Switch Option (PKT)
- IP65 with Din Connector Flange or 1” BSP Options
![]() |
Technical Datasheet |
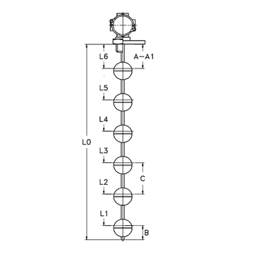
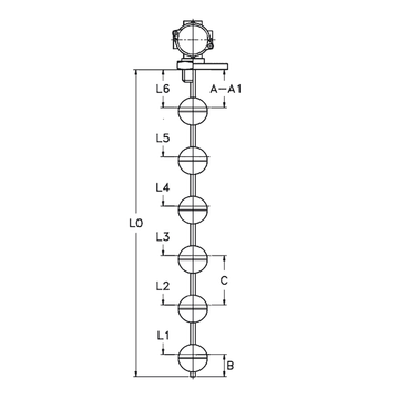
- 1 to 6 switch points
- Up to 6m length.
- Up to 20 bar max working pressure
- Working temperature Up to 105°C
- IP65 Rated
- ATEX Options Available
![]() |
Technical Datasheet |
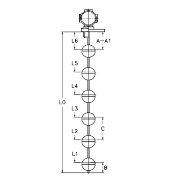
- 1 to 6 switch points Up to 5m length.
- Up to 6 bar max working pressure
- Working temperature
- Up to 130°C IP65
- Rated Choice of Threads
- Terminal head, Flying Leads, DIN connector Options.
- Various Floats Available ATEX Exd
![]() |
Technical Datasheet |
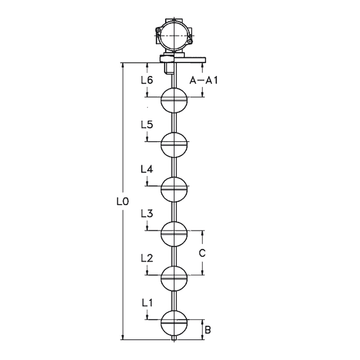
- 1 to 6 switch points
- Up to 5m length.
- Up to 6 bar max working pressure
- Working temperature Up to 130°C
- IP65 Rated
- ATEX Options Available
![]() |
Technical Datasheet |
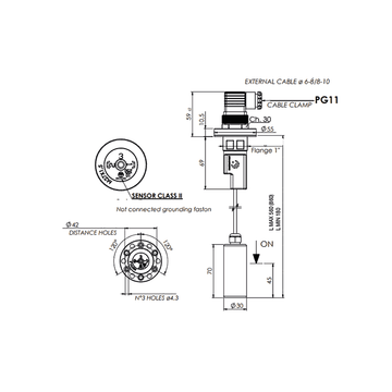
- Use Mineral oils: Fuels
- Type of contact: Reed SPST/SPDT
- Max switch. capacity: 80 W (50W SPDT)
- Max switch. current: 1 A
- Max switch. voltage: 250 Vac (220 Vac SPDT)
- Fluid specific weight: > 0,85 with L max
- Working temperature: -15°C/+100°C
- Weight ~ gr 145
- 1 to 6 switch points
- Up to 6m length.
- Up to 50 bar max working pressure
- Working temperature Up to 105°C
- IP65 Rated
- ATEX Options Available
