ORION
Orion is an ISO 9001: 2015-certified company that manufactures small electrical switches such as industrial, pressure, and vacuum switches. Orion switches are great because of their high performance, durability, and small size.
Orion is a 44-year-old leading company that supplies a precision-designed range of compact electrical switches, electric vacuum switches, pressure switches, differential switches, and vacuum switches for use in hazardous and non-hazardous environments.
Our ability at PVL to work with and sell items to fit the needs of our customers has made Orion a preferred vendor with many renowned clients.
For their FC series flameproof/explosion-proof pressure switches, they became the first firm in India to get BASEEFA ATEX and IECEx certifications. Because of their capacity to design products from the bottom up, we have met our clients' ever-increasing demands.
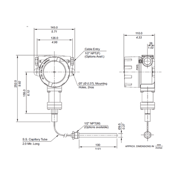
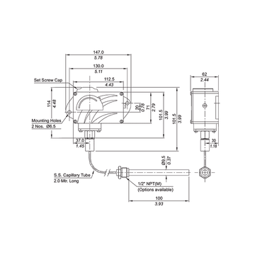
- 25°C-215°C Set Points
- Max temperature up to 300°C
- Switch rating up to 250V
- 1/2” or 3/8” BSP thread(others available)
- 123mm Brass bulb,2m stainless capillary
- Visual scale optional
- 25°C-215°C Set Points
- Max temperature up to 300°C
- Switch rating up to 250V
- 1/2” or 3/8” BSP thread (others available)
- 123mm Brass bulb, 2m stainless capillary
- ATEX & IECEx approved
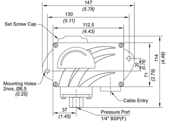
- Working pressure up to 12 bar
- SPDT or DPDT switching
- Reliable, accurate micro switches
- 1/4” BSP thread (others available)
- 316 stainless steel wetted parts
- ATEX Exd IIC T6 level of certification
![]() |
Technical Datasheet |
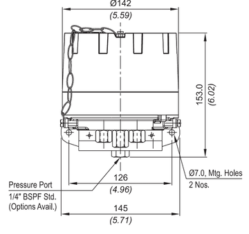
- Pressure range: 0.067 to 25.0 bar
- Maximum working pressure: 5 to 35 bar
- Pneumatic valve types: NO (Normally Open), NC (Normally Closed)
![]() |
Technical Datasheet |
- Current Rating: 0.2-5 A
- Media Type: Liquid
- Contact System Type: SPDT
- Accuracy: +/- 1% FSR
- Min Range: 5 bar
- Max Range: 400 bar
![]() |
MZ Pressure Switch Technical Datasheet |
- 25°C-215°C Set Points
- Max temperature up to 300°C
- Switch rating up to 250V
- 1/2” or 3/8” BSP thread(others available)
- 123mm Brass bulb,2m stainless capillary
- Visual scale optional
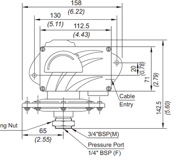
- Flameproof ATEX Exd Switch with an Adjustable Change Over Contacts (SPDT) or (DPDT)
- For Adjustable Switching Pressure Ranges Up to 400 bar.
- 1/4″ BSP Female Thread (Others Available)
- Stainless Steel Diaphragm (Others Available)
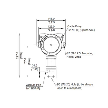
- Range -1 to +3.6 Bar
- Maximum working pressures up to 12 bar
![]() |
Technical Datasheet |
- Differential Pressure Switch with an Change Over Contacts (SPDT) / Optional DPDT
- Compound Pressure, Low Pressure, High Range, Differential options.
- For Adjustable Switching Low Pressure Ranges 1.5 – 350 mbar
- 1/4″ BSP Female Thread (Others Available)
- Stainless Steel, Neoprene, PTFE Diaphragm (Others Available)
- Maximum working pressures up to 2 bar
- Field set point adjustment against a reference scale
- Option of Adjustable Differential and Scale
![]() |
Technical Datasheet |
- Dual High Range 2 in 1 Dual Switch
- Up to 200 bar adjustment ranges
- 2 SPDT C/O micro-switches
- 2 Independent switch points
- 1/4” BSP thread (Others available)
- SS 316,Teflon or Neoprene diaphragm
- IP66 enclosure
![]() |
Technical Datasheet |
- Differential Pressure Switch SPDT C/O contacts
- Low Ranges of 1.5 - 350 mBar
- High Ranges up to 25 Bar
- Clear Adjustment Scale
- 2 x 1/4” BSP Standard Female Ports
- 250 VAC/15A (optional gold contacts)
- IP66 as standard
![]() |
Technical Datasheet |
- Adjustable Pressure Switch ≤ 250V
- SPDT C/O Contacts
- Up to 400 bar adjustment ranges
- Over-pressures up to 500 bar
- Compact, rugged design
- Choice of threads and diaphragms
- Easy, safe wiring connections
- IP66 as standard
![]() |
Technical Datasheet |
- Flameproof EXd Pressure SPDT/DPDT Switch
- Up to 400 bar adjustment ranges
- SPDT or DPDT switching
- S/S 316 diaphragm (Others available)
- 1/4” BSP thread (Others available)
- 316 stainless steel wetted parts
- ATEX Exd IIC T6 level of Certification
![]() |
Technical Datasheet |
