DS Series Pressure Switch
- Dual High Range 2 in 1 Dual Switch
- Up to 200 bar adjustment ranges
- 2 SPDT C/O micro-switches
- 2 Independent switch points
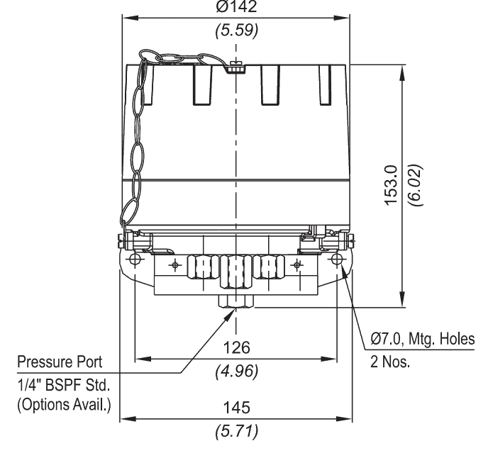
- 1/4” BSP thread (Others available)
- SS 316,Teflon or Neoprene diaphragm
- IP66 enclosure
![]() |
Technical Datasheet |
- Description
- Downloads
- Product Catalogue
The DS Series Pressure Switch is a robust and versatile solution designed for precise pressure monitoring and control in demanding environments. This dual high-range pressure switch features two independently adjustable switch points, providing enhanced control over your processes. With switching pressure ranges up to 200 bar, it is ideal for applications requiring high-pressure handling.
Equipped with two SPDT change-over contacts, the DS Series allows for seamless integration into various systems, offering reliable and accurate pressure switching. The 1/4″ BSP thread ensures compatibility with standard fittings, with other thread options available to suit different needs.
Built to withstand harsh conditions, the DS Series features a durable construction using stainless steel, neoprene, and PTFE diaphragms, ensuring long-lasting performance. The switch is housed in an IP66-rated enclosure, offering excellent protection against dust and water, making it suitable for both indoor and outdoor installations.
Whether used in hydraulic systems, industrial machinery, or process control applications, the DS Series Pressure Switch delivers precise, dependable pressure management, enhancing the safety and efficiency of your operations.
Customers also viewed
£41.87
Liquid error (snippets/product-item line 160): Could not find asset snippets/rfq_button.liquid£33.17
Liquid error (snippets/product-item line 160): Could not find asset snippets/rfq_button.liquid£73.74
Liquid error (snippets/product-item line 160): Could not find asset snippets/rfq_button.liquid£38.42
Liquid error (snippets/product-item line 160): Could not find asset snippets/rfq_button.liquid£0.00
Liquid error (snippets/product-item line 160): Could not find asset snippets/rfq_button.liquid£54.00
Liquid error (snippets/product-item line 160): Could not find asset snippets/rfq_button.liquid£0.00
Liquid error (snippets/product-item line 160): Could not find asset snippets/rfq_button.liquid£0.00
Liquid error (snippets/product-item line 160): Could not find asset snippets/rfq_button.liquid£0.00
Liquid error (snippets/product-item line 160): Could not find asset snippets/rfq_button.liquid












