S ATEX Custom Level Switch
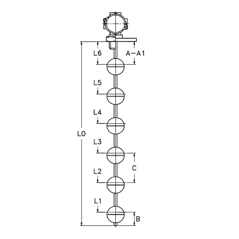
- 1 to 6 switch points Up to 5m length.
- Up to 6 bar max working pressure
- Working temperature
- Up to 130°C IP65
- Rated Choice of Threads
- Terminal head, Flying Leads, DIN connector Options.
- Various Floats Available ATEX Exd
![]() |
Technical Datasheet |
- Description
- Downloads
- Product Catalogue
The S ATEX Custom Level Switch is a versatile and reliable solution for liquid level monitoring, designed to meet a range of industrial needs. It features 1 to 6 switch points, with an impressive measuring length of up to 5 meters, allowing for precise monitoring in both shallow and deep vessels. Built for durability, this switch is capable of withstanding working pressures up to 6 bar and operating in temperatures as high as 130°C, making it suitable for harsh environments.
This ATEX-certified level switch comes with an IP65 rating, ensuring protection against dust and low-pressure water jets. Customization options are abundant, including a choice of threads and connection options such as terminal heads, flying leads, or DIN connectors for seamless integration into various systems. The device also offers a variety of float options, ensuring compatibility with different liquids and conditions.
Certified for explosive atmospheres with ATEX Exd compliance, the S ATEX Custom Level Switch is ideal for industries requiring strict safety measures, such as oil and gas, chemical, and petrochemical sectors. With its rugged design, precise monitoring capabilities, and flexible installation options, it offers an efficient and dependable solution for liquid level management in demanding industrial applications.
Customers also viewed
£0.00
Liquid error (snippets/product-item line 160): Could not find asset snippets/rfq_button.liquid£0.00
Liquid error (snippets/product-item line 160): Could not find asset snippets/rfq_button.liquid£0.00
Liquid error (snippets/product-item line 160): Could not find asset snippets/rfq_button.liquid£0.00
Liquid error (snippets/product-item line 160): Could not find asset snippets/rfq_button.liquid£0.00
Liquid error (snippets/product-item line 160): Could not find asset snippets/rfq_button.liquid£0.00
Liquid error (snippets/product-item line 160): Could not find asset snippets/rfq_button.liquid£0.00
Liquid error (snippets/product-item line 160): Could not find asset snippets/rfq_button.liquid£0.00
Liquid error (snippets/product-item line 160): Could not find asset snippets/rfq_button.liquid£0.00
Liquid error (snippets/product-item line 160): Could not find asset snippets/rfq_button.liquid












