BECK
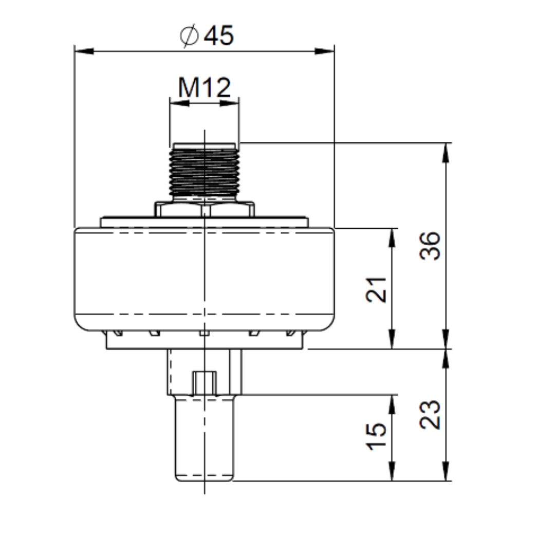
Pressure Transmitter 981
- Storage and operating temperature –20°C to +85°C
- Media temperature 0 to 85°C
- Humidity max. 95% rH., non-condensing
- Membrane Material: NBR, Silicone, FKM, EPDM
- Protection Class: IP65 according to EN 60529
![]() |
Technical Datasheet |
£0.00
In Stock
Sold out







