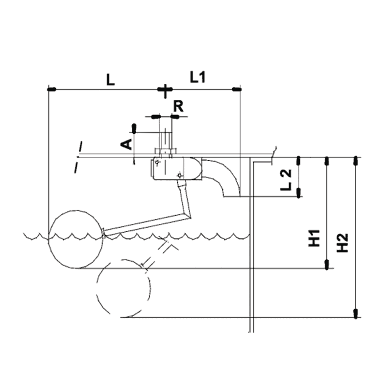
Fig 200 EV Float Valve
- 10mm to 65mm port diameter
- 3/8” to 2 1/2” BSP connection
- All 316 stainless steel
- Flow rates up to 75,966 litres per hr
- Rated up to 10 Bar
- Silcon seal (others available)
- Description
- Downloads
- Product Catalogue
The FIG.200 EV Float Valve is a high-performance, vertical inflow valve designed for demanding industrial applications. Engineered with a patented valve system, it guarantees a perfect seal with minimal force exerted by the float, ensuring reliable and efficient liquid level control.
Manufactured from AISI 316 stainless steel (DIN 1.4401 & CF8M), it offers exceptional corrosion resistance and durability in harsh environments. The swing-type valve features a silicone shutter, with options for VITON, EPDM, BUNA, or PTFE seals to suit various fluids and operating conditions.
The valve supports DIN-ISO 228/1985 gas thread connections and is rated up to PN-16 (10 bar max). For applications involving turbulent or shaken waters, such as refrigeration towers, reinforced levers are recommended. The progressive closing action of the FIG.200 EV reduces water hammer and enhances long-term reliability, making it ideal for industrial and process water systems.
Customers also viewed
£0.00
Liquid error (snippets/product-item line 160): Could not find asset snippets/rfq_button.liquid£45.00
Liquid error (snippets/product-item line 160): Could not find asset snippets/rfq_button.liquid£0.00
Liquid error (snippets/product-item line 160): Could not find asset snippets/rfq_button.liquid£0.00
Liquid error (snippets/product-item line 160): Could not find asset snippets/rfq_button.liquid£0.00
Liquid error (snippets/product-item line 160): Could not find asset snippets/rfq_button.liquid£0.00
Liquid error (snippets/product-item line 160): Could not find asset snippets/rfq_button.liquid£0.00
Liquid error (snippets/product-item line 160): Could not find asset snippets/rfq_button.liquid£0.00
Liquid error (snippets/product-item line 160): Could not find asset snippets/rfq_button.liquid£0.00
Liquid error (snippets/product-item line 160): Could not find asset snippets/rfq_button.liquid












