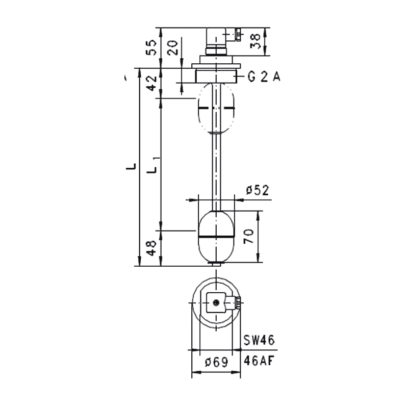
LC Level Sensor
- Top Entry
- Materials combination may be selected
- Reed switch chain
- Suitable medium temperature -20..+105ºC
- Stainless Steel or Brass
- 4-20ma or 0-10v
- Description
- Downloads
- Product Catalogue
The Honsberg LC Level Sensor is a top-entry, reed-switch-based level sensor designed for reliable and accurate monitoring of liquid levels in a wide variety of industrial applications. Its robust construction and versatile configuration options make it ideal for both standard and demanding environments.
Constructed from high-quality stainless steel or brass, the LC Level Sensor is built to withstand harsh operating conditions and a wide temperature range of -20°C to +105°C. The use of a reed switch chain ensures consistent and maintenance-free performance, even in continuous operation.
Offering analogue outputs of either 4–20 mA or 0–10 V, the LC sensor integrates seamlessly with most industrial control systems. A key benefit is its customisability—the materials can be tailored to suit the specific medium and operating environment, enhancing compatibility and longevity.
Its compact top-entry design allows for easy installation in tanks, vessels, or reservoirs where space or access may be limited. Whether you're managing water levels, chemical tanks, or industrial process fluids, the LC Level Sensor delivers dependable measurement and lasting performance.
Customers also viewed
£0.00
Liquid error (snippets/product-item line 160): Could not find asset snippets/rfq_button.liquid£0.00
Liquid error (snippets/product-item line 160): Could not find asset snippets/rfq_button.liquid£0.00
Liquid error (snippets/product-item line 160): Could not find asset snippets/rfq_button.liquid£0.00
Liquid error (snippets/product-item line 160): Could not find asset snippets/rfq_button.liquid£0.00
Liquid error (snippets/product-item line 160): Could not find asset snippets/rfq_button.liquid£0.00
Liquid error (snippets/product-item line 160): Could not find asset snippets/rfq_button.liquid£0.00
Liquid error (snippets/product-item line 160): Could not find asset snippets/rfq_button.liquid£0.00
Liquid error (snippets/product-item line 160): Could not find asset snippets/rfq_button.liquid£0.00
Liquid error (snippets/product-item line 160): Could not find asset snippets/rfq_button.liquid£0.00
Liquid error (snippets/product-item line 160): Could not find asset snippets/rfq_button.liquid


LC Level Sensor Datasheet









