Flex LC Level Sensor
- Level Sensor with Reed chain
- Analogue output/switching output
- 250mm to 2000mm length options Very simple installation
- Various materials available
- Optional temperature sensor
- Description
- Downloads
- Product Catalogue
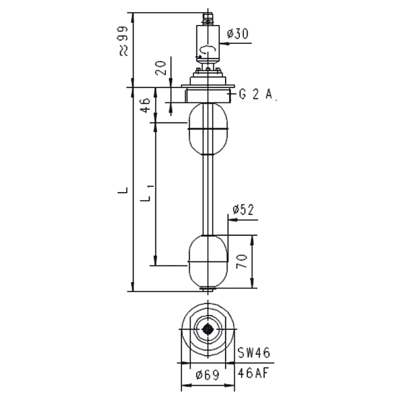
The Honsberg Flex LC Level Sensor offers a reliable and versatile solution for continuous level monitoring in industrial applications. Built with a reed chain measuring system, it provides precise analogue and/or switching outputs, making it ideal for integration into a wide range of control systems.
Available in lengths from 250mm to 2000mm, the Flex LC is adaptable to various tank sizes and applications. Multiple material options ensure compatibility with different media, including aggressive or corrosive substances. For added functionality, an optional temperature sensor can be included, offering dual-parameter monitoring in a single compact device.
Designed for ease of use, the Flex LC features a slim, space-saving profile and extremely simple installation, helping to reduce setup time and costs. Its robust construction and industrial-grade reliability make it suitable for use in manufacturing, processing, water treatment, and other demanding environments.
Whether you need straightforward level detection or advanced measurement with temperature feedback, the Flex LC delivers consistent performance and flexibility.
Customers also viewed
£0.00
Liquid error (snippets/product-item line 160): Could not find asset snippets/rfq_button.liquid£0.00
Liquid error (snippets/product-item line 160): Could not find asset snippets/rfq_button.liquid£0.00
Liquid error (snippets/product-item line 160): Could not find asset snippets/rfq_button.liquid£0.00
Liquid error (snippets/product-item line 160): Could not find asset snippets/rfq_button.liquid£0.00
Liquid error (snippets/product-item line 160): Could not find asset snippets/rfq_button.liquid£0.00
Liquid error (snippets/product-item line 160): Could not find asset snippets/rfq_button.liquid£0.00
Liquid error (snippets/product-item line 160): Could not find asset snippets/rfq_button.liquid£0.00
Liquid error (snippets/product-item line 160): Could not find asset snippets/rfq_button.liquid£0.00
Liquid error (snippets/product-item line 160): Could not find asset snippets/rfq_button.liquid£0.00
Liquid error (snippets/product-item line 160): Could not find asset snippets/rfq_button.liquid













