MD Series Pressure Switch
- Differential Pressure Switch SPDT C/O contacts
- Low Ranges of 1.5 - 350 mBar
- High Ranges up to 25 Bar
- Clear Adjustment Scale
- 2 x 1/4” BSP Standard Female Ports
- 250 VAC/15A (optional gold contacts)
- IP66 as standard
![]() |
Technical Datasheet |
- Description
- Downloads
- Product Catalogue
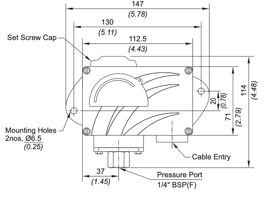
The MD Series Pressure Switch is a versatile and reliable solution designed to meet various pressure monitoring needs. Featuring adjustable changeover contacts with SPDT as standard and optional DPDT, this pressure switch is ideal for applications requiring precise control across various pressure ranges. Available in compound, low-pressure, high-range, and differential models, it supports adjustable switching pressures up to 25 bar, making it adaptable to numerous industrial environments.
The switch is equipped with a 1/4″ BSP female thread, with other threading options available to suit your specific installation needs. Constructed from high-quality materials including stainless steel, neoprene, and PTFE diaphragms, it ensures durability and compatibility with different media. The MD Series can handle maximum working pressures of up to 35 bar, providing robust performance under demanding conditions.
Field setpoint adjustment is user-friendly, featuring a reference scale for precise calibration. Additionally, the option for an adjustable differential and scale allows for further customisation, making the MD Series Pressure Switch an indispensable component for pressure regulation and safety in industrial applications. Its adaptability and reliability make it the perfect choice for professionals seeking precision and durability.
Customers also viewed
£39.87
Liquid error (snippets/product-item line 160): Could not find asset snippets/rfq_button.liquid£70.26
Liquid error (snippets/product-item line 160): Could not find asset snippets/rfq_button.liquid£36.59
Liquid error (snippets/product-item line 160): Could not find asset snippets/rfq_button.liquid£31.59
Liquid error (snippets/product-item line 160): Could not find asset snippets/rfq_button.liquid£0.00
Liquid error (snippets/product-item line 160): Could not find asset snippets/rfq_button.liquid£54.00
Liquid error (snippets/product-item line 160): Could not find asset snippets/rfq_button.liquid£0.00
Liquid error (snippets/product-item line 160): Could not find asset snippets/rfq_button.liquid£0.00
Liquid error (snippets/product-item line 160): Could not find asset snippets/rfq_button.liquid£0.00
Liquid error (snippets/product-item line 160): Could not find asset snippets/rfq_button.liquid£0.00
Liquid error (snippets/product-item line 160): Could not find asset snippets/rfq_button.liquid













