MD Differential Pressure Switch
- Differential Pressure Switch with an Change Over Contacts (SPDT) / Optional DPDT
- Compound Pressure, Low Pressure, High Range, Differential options.
- For Adjustable Switching Low Pressure Ranges 1.5 – 350 mbar
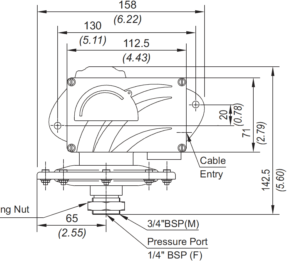
- 1/4″ BSP Female Thread (Others Available)
- Stainless Steel, Neoprene, PTFE Diaphragm (Others Available)
- Maximum working pressures up to 2 bar
- Field set point adjustment against a reference scale
- Option of Adjustable Differential and Scale
![]() |
Technical Datasheet |
- Description
- Downloads
- Product Catalogue
The MD Differential Pressure Switch is a versatile and reliable solution for monitoring and controlling differential pressure in various industrial applications. Designed for precision, it offers Change-over Contacts (SPDT) with an optional DPDT configuration, making it adaptable to different system requirements.
This switch is available in a wide range of pressure options, including compound, low, high, and differential pressure ranges, covering adjustable switching low pressure ranges from 1.5 to 350 mbar. The robust 1/4" BSP female thread connection ensures a secure and leak-proof installation, with alternative thread options available to meet specific needs.
Constructed with high-quality materials such as stainless steel, neoprene, and PTFE, the MD Differential Pressure Switch is built for durability and reliability, even under harsh conditions. It can handle maximum working pressures up to 2 bar, providing dependable performance in demanding environments.
The switch features a field set point adjustment against a reference scale, allowing for easy and precise calibration. Additionally, an optional adjustable differential and scale provide further customisation to match the specific requirements of your application. Whether for low or high-pressure monitoring, the MD Differential Pressure Switch delivers accurate, reliable control.
Customers also viewed
£0.00
Liquid error (snippets/product-item line 160): Could not find asset snippets/rfq_button.liquid£0.00
Liquid error (snippets/product-item line 160): Could not find asset snippets/rfq_button.liquid£0.00
Liquid error (snippets/product-item line 160): Could not find asset snippets/rfq_button.liquid£0.00
Liquid error (snippets/product-item line 160): Could not find asset snippets/rfq_button.liquid£0.00
Liquid error (snippets/product-item line 160): Could not find asset snippets/rfq_button.liquid£0.00
Liquid error (snippets/product-item line 160): Could not find asset snippets/rfq_button.liquid£0.00
Liquid error (snippets/product-item line 160): Could not find asset snippets/rfq_button.liquid£24.99
Liquid error (snippets/product-item line 160): Could not find asset snippets/rfq_button.liquid£0.00
Liquid error (snippets/product-item line 160): Could not find asset snippets/rfq_button.liquid













