BS Custom Level Switch
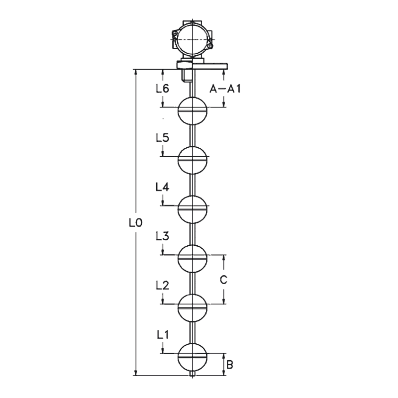
- 1 to 6 switch points
- Up to 6m length.
- Up to 20 bar max working pressure
- Working temperature Up to 105°C
- IP65 Rated
- ATEX Options Available
![]() |
Technical Datasheet |
- Description
- Downloads
- Product Catalogue
The BS Custom Level Switch is a highly adaptable and reliable solution for monitoring liquid levels in a wide range of industrial applications. With 1 to 6 switch points, it provides customisable control options, making it ideal for complex systems requiring precise level monitoring.
The switch can accommodate lengths of up to 6 meters, offering flexibility for both small and large tanks. Its robust design handles up to 20 bar max working pressure and operates in temperatures of up to 105°C, ensuring performance in demanding environments.
The device is IP65 rated, providing protection against dust and low-pressure water jets, making it suitable for harsh or outdoor settings.
Additionally, the BS Custom Level Switch offers ATEX options, making it compliant for use in potentially explosive atmospheres. Whether you need it for hazardous locations or standard industrial settings, this level switch ensures safety and durability.
Ideal for industries such as chemical processing, water treatment, and oil & gas, this versatile level switch provides dependable performance, even in extreme conditions. The customisable features allow you to tailor the switch to your specific requirements, ensuring efficiency and reliability in your operations.
Customers also viewed
£34.65
Liquid error (snippets/product-item line 160): Could not find asset snippets/rfq_button.liquid£29.32
Liquid error (snippets/product-item line 160): Could not find asset snippets/rfq_button.liquid£27.28
Liquid error (snippets/product-item line 160): Could not find asset snippets/rfq_button.liquid£9.01
Liquid error (snippets/product-item line 160): Could not find asset snippets/rfq_button.liquid£9.76
Liquid error (snippets/product-item line 160): Could not find asset snippets/rfq_button.liquid£15.02
Liquid error (snippets/product-item line 160): Could not find asset snippets/rfq_button.liquid£40.02
Liquid error (snippets/product-item line 160): Could not find asset snippets/rfq_button.liquid£9.28
Liquid error (snippets/product-item line 160): Could not find asset snippets/rfq_button.liquid£10.39
Liquid error (snippets/product-item line 160): Could not find asset snippets/rfq_button.liquid£36.71
Liquid error (snippets/product-item line 160): Could not find asset snippets/rfq_button.liquid













